公司简介 公司新闻 综合资讯 产品展示 产品目录 客户反馈 联系我们 电子邮局
  主要产品为静态混合器、动态混合设备、传热反应设备、过滤设备、消声设备、阻火设备等

管式反应器
切水器
管道过滤器
混合器
自清洗过滤器
空气过滤器
灭菌过滤器
滤件系列
精细过滤器
粉体输送设备
粉体混合设备
液体搅拌设备
消声器
特种小型设备
排水器
高效换热器
纸浆漂白专用设备
除污器(滤水器)
喷射器
纤维除雾器

 
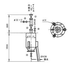
MAPB、1PGB型系列煤气冷凝水排水器(干式)
(一)MAPB-Ⅰ型干式排水器
1、本排水器适用于煤气加压机后高压焦炉煤气管道压力≤0.1MPa.
2、当人工排水时,①-④阀全部关闭,带防毒面具或背风向,打开阀⑤见水基本排尽立即关闭阀⑤,同时打开阀①、阀③。
3、当与管道一起正常投运时,仅开阀①和阀③,其余阀皆关闭。
4、当检修或吹扫时,关闭阀①阀②-⑤,从②阀接蒸汽或氮气置换。
5、煤气冷凝水接管法兰为JB81-59 PN1.0 DN50
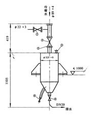
(二)MAPB-Ⅱ型干式排水器
1、本排水器适用于计算机压力0.9MPa脱硫脱奈高压焦炉煤气管道。
2、当人工排水时,①-③阀全部关闭,带防毒面具或背风向,打开阀④见水基本排尽,立即关闭阀④,同时打开阀①、阀③。
3、当干式排水器与管道一起正常投运时,仅开阀①和阀③,其余阀皆关闭。
4、当检修或吹扫时,关闭阀①或在阀后堵盲板,从阀②接蒸汽或氮气吹除。
5、本排水器接管法兰为JB81-59、PN1.6 DN50。
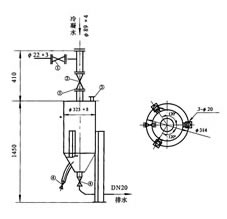
(三)1PGXB型干式悬挂式排水器
1、本排水器适用于南方地区,管径较小,排水量较少的煤气管道上,管道压力≤0.9MPa。若在寒冷地区,排水器应采取保温措施,悬挂高度不超过1m。
2、冷凝水排放操作步骤:
a、缓慢打开阀门①,如有冷凝水排出,则迅速关闭阀门①。
b、关闭阀门②。
c、打开底阀门④,(如底部阀门堵塞,则打开侧面阀门④),把水放到专用的筒内(冷凝水不必放尽)。
d、冷凝水排完后,严密关闭阀门④,再完全打开阀门②。
3、当排水器检测时,应先闭阀门②,打开管堵③,插上盲板⑤,放掉冷凝水,即可检修。
(四)1PGXB型干式落地式排水器
本设备除安装方式与1PGXB型不同外,其余使用方式与1PGXB型相同。
 
南通沃尔驰石化工程有限公司 地址:启东市汇龙镇中央河中路691号 邮编:226200 http://www.nt-worlds.com E-mail:13862978163@126.com
电话:0513-83325673 传真:0513-83119878 手机: 13862978163 混合器 静态混合器 汽水混合器