|
|
|
|
 |
 |
| |
SG视镜 |
性能特点
视镜是工业管道装置上主要附件之一,在石油、化工、医药、食品、造纸等工业生产装置的管道中,能随时观察管道液体、气体、蒸汽等介质流动及反应情况,起到监视生产、避免生产过程中事故发生的作用。

产品型号标注

标记示例
选择单压型法兰连接式视镜,内部结构摆板式,法兰公称压力为0.6MPa,公称直径80mm,主体材料为低碳钢。标记:SG-II-P-0.6—80/C。

注:本表结构形式主要针对I型、II型和III型。
产品规格及技术参数
(1)SG-I对夹型视镜
DN |
窗径W |
管内D |
H |
L |
适用工况 |
PN≤1.6 |
PN≤2.5 |
8 |
58 |
40 |
75 |
140 |
160 |
PN≤2.5MPa
工作压力≤1.0MPa
工作温度0-180℃ |
10 |
58 |
40 |
75 |
140 |
160 |
15 |
58 |
40 |
75 |
140 |
160 |
20 |
68 |
50 |
85 |
160 |
180 |
25 |
68 |
50 |
85 |
160 |
180 |
40 |
78 |
60 |
115 |
180 |
200 |
|
 |
(2)SG—II单压型视镜
DN |
窗径W |
管内径D |
PN0.6 |
PN1.0、PN1.6 |
PN2.5 |
H |
L |
H |
L |
H |
L |
50 |
80/80 |
65/50 |
200 |
220 |
200 |
220/250 |
210 |
250/270 |
65 |
102/100 |
80/102 |
230 |
250 |
230 |
250/270 |
240 |
270/320 |
80 |
102/100 |
102/102 |
245 |
270 |
245 |
270/270 |
270 |
320/380 |
100 |
125/125 |
125/125 |
330 |
320 |
330 |
320/320 |
360 |
360/420 |
125 |
150/150 |
150/150 |
340 |
360 |
360 |
370/400 |
400 |
410/480 |
150 |
200/200 |
200/200 |
350 |
420 |
420 |
430/440 |
440 |
480/550 |
|
 |
注:分母为摆板式单压视镜。工作压力≤1.OMPa,工作温度0-180℃。
(3)SG—III全螺纹型视镜
DN |
窗径W |
管内D |
H |
L |
适用工况 |
PN≤1.6 |
PN≤2.5 |
6 |
58 |
G1/4 |
75 |
140 |
160 |
PN≤2.5MPa
工作压力≤1.0MPa
工作温度0-180℃ |
10 |
58 |
G3/8 |
75 |
140 |
160 |
15 |
58 |
G1/2 |
75 |
140 |
160 |
20 |
68 |
G3/4 |
85 |
160 |
180 |
25 |
68 |
G1″ |
85 |
160 |
180 |
40 |
78 |
G11/2″ |
115 |
180 |
200 |
|
 |
(4)SG—IV管型视镜
DN |
PN |
H |
H1 |
H2 |
玻璃管 |
直径 |
厚度 |
20 |
1.0 |
250 |
78 |
94 |
F50 |
4 |
25 |
1.0 |
250 |
78 |
94 |
F50 |
4 |
40 |
1.0 |
250 |
78 |
94 |
F60 |
5 |
50 |
1.0 |
250 |
78 |
94 |
F75 |
5 |
60 |
1.0 |
250 |
78 |
94 |
F90 |
5 |
|
 |
(5)SG—Va螺纹连接浮球型视镜
DN |
d |
D1 |
D |
L |
H |
球Ф |
图 号 |
20 |
16 |
G3/4″ |
38 |
120 |
70 |
18 |
HGSO-128-01~4 |
25 |
16 |
G1″ |
40 |
120 |
70 |
18 |
HGSO-128-01~4 |
32 |
16 |
G11/4″ |
50 |
124 |
76 |
18 |
HGSO-128-01~4 |
40 |
16 |
G11/2″ |
56 |
124 |
80 |
18 |
HGSO-128-01~4 |
50 |
16 |
G2″ |
66 |
124 |
85 |
18 |
HGSO-128-01~4 |
|
 |
注:PN≤0.6MPa,工作压力≤0.3MPa,工作温度≤180℃。
(6)SG—Vb法兰连接浮球型视镜
DN |
d |
D1 |
D |
L |
H |
球Ф |
图 号 |
65 |
65 |
130 |
160 |
340 |
260 |
40 |
HGSO-128-01-1~4 |
80 |
80 |
150 |
185 |
340 |
270 |
40 |
HGSO-128-01-1~4 |
100 |
100 |
170 |
205 |
340 |
277 |
40 |
HGSO-128-01-1~4 |
125 |
125 |
200 |
235 |
340 |
290 |
40 |
HGSO-128-01-1~4 |
150 |
150 |
225 |
260 |
340 |
302 |
40 |
HGSO-128-01-1~4 |
|
 |
注:PN≤0.6HPa,工作压力≤0.3MPa,工作温度≤180℃。
(7)SG—VI框式对夹型视镜
DN |
W |
A |
H |
B |
L |
适用工况 |
PN≤1.6 |
PN≤2.5 |
15 |
18 |
75 |
85 |
110 |
200 |
200 |
PN≤2.5MPa
工作压力≤1.0MPa
工作温度0-180℃ |
20 |
18 |
75 |
85 |
110 |
200 |
200 |
25 |
22 |
80 |
95 |
120 |
210 |
210 |
40 |
30 |
90 |
125 |
120 |
210 |
230 |
|
 |
(8)SG—VII框式单压型视镜
DN |
W |
A |
H |
B |
L |
适用工况 |
PN≤1.6 |
PN≤2.5 |
50 |
30 |
90 |
140 |
120 |
210 |
230 |
PN≤2.5MPa
工作压力≤1.0MPa
工作温度0-180℃ |
65 |
30 |
90 |
155 |
120 |
220 |
250 |
80 |
35 |
100 |
180 |
120 |
230 |
250 |
100 |
35 |
100 |
205 |
120 |
230 |
260 |
125 |
40 |
110 |
235 |
130 |
260 |
290 |
150 |
40 |
110 |
260 |
130 |
260 |
290 |
|
 |
(9)SG—VIII a容器视镜
DN |
PN |
D |
D1 |
b1 |
b2 |
≈H |
螺 柱 |
数量n |
直径d |
50 |
1.0 |
130 |
100 |
34 |
22 |
79 |
6 |
M12 |
1.6 |
130 |
100 |
34 |
24 |
79 |
6 |
M12 |
2.5 |
130 |
100 |
34 |
26 |
84 |
6 |
M12 |
80 |
1.0 |
160 |
130 |
36 |
24 |
86 |
8 |
M12 |
1.6 |
160 |
130 |
36 |
26 |
91 |
8 |
M12 |
2.5 |
160 |
130 |
36 |
28 |
96 |
8 |
M12 |
100 |
1.0 |
200 |
165 |
40 |
26 |
100 |
8 |
M16 |
1.6 |
200 |
165 |
40 |
28 |
105 |
8 |
M16 |
125 |
1.0 |
225 |
190 |
40 |
28 |
105 |
8 |
M16 |
150 |
1.0 |
250 |
215 |
40 |
30 |
110 |
12 |
M16 |
|
 |
注:工作温度0—180℃
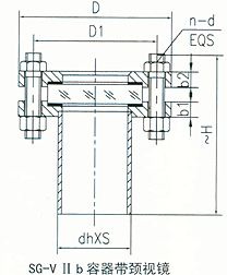
(10)SG—VIIIb容器带颈视镜
DN |
PN |
D |
D1 |
b1 |
b2 |
dh×s |
h |
≈H |
螺 柱 |
数量n |
直径d |
50 |
1.0 |
130 |
100 |
34 |
22 |
57×3.5 |
70 |
79 |
6 |
M12 |
1.6 |
130 |
100 |
34 |
24 |
57×3.5 |
70 |
79 |
6 |
M12 |
2.5 |
130 |
100 |
34 |
26 |
57×3.5 |
70 |
84 |
6 |
M12 |
80 |
1.0 |
160 |
130 |
36 |
24 |
89×4 |
70 |
86 |
8 |
M12 |
1.6 |
160 |
130 |
36 |
26 |
89×4 |
70 |
91 |
8 |
M12 |
2.5 |
160 |
130 |
36 |
28 |
89×4 |
70 |
96 |
8 |
M12 |
100 |
1.0 |
200 |
165 |
40 |
26 |
108×4 |
80 |
100 |
8 |
M16 |
1.6 |
200 |
165 |
40 |
28 |
108×4 |
80 |
105 |
8 |
M16 |
125 |
1.0 |
225 |
190 |
40 |
28 |
133×4 |
80 |
105 |
8 |
M16 |
150 |
1.0 |
250 |
215 |
40 |
30 |
159×4.5 |
80 |
110 |
12 |
M16 |
|
 |
注:容器视镜参照HGJ501-501-86标准,工作温度0~180℃
(11)SG—IX
a单压异径型视镜
DN1×DN2 |
L |
D |
H |
适用工况 |
PN0.25 |
PN0.6 |
25×32 |
260 |
95 |
226 |
234 |
工作温度
0~180℃ |
40×50 |
320 |
140 |
226 |
278 |
50×65 |
320 |
140 |
226 |
278 |
65×80 |
360 |
165 |
300 |
308 |
80×100 |
360 |
165 |
300 |
308 |
|
 |
(12)SG—IX
b单压三通型视镜
DN |
L |
D |
H |
I |
II |
III |
PN0.25 |
PN0.6 |
25 |
40 |
40 |
260 |
95 |
226 |
234 |
25 |
50 |
50 |
320 |
140 |
266 |
278 |
25 |
65 |
65 |
320 |
140 |
266 |
278 |
40 |
80 |
80 |
360 |
165 |
300 |
308 |
40 |
100 |
80 |
360 |
165 |
300 |
308 |
25 |
40 |
50 |
320 |
140 |
266 |
278 |
40 |
50 |
65 |
320 |
140 |
266 |
278 |
50 |
65 |
80 |
360 |
165 |
300 |
308 |
50 |
80 |
100 |
360 |
165 |
300 |
308 |
|
 |
注:工作温度0—180℃
|
 |
 |
| |
【打印此页】 【返回】 |
| |
|
| |
|
|